Product Summary
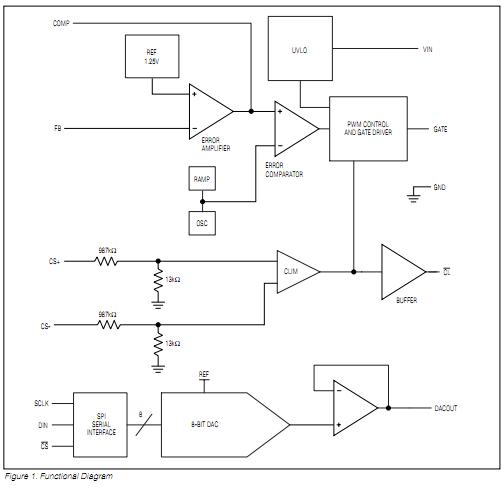
The MAX1932ETC+T is a digitally Controlled, 0.5% Accurate, Safest APD Bias Supply. The MAX1932ETC+T generates a low-noise, high-voltage output to bias avalanche photodiodes (APDs) in optical receivers. Very low output ripple and noise is achieved by a constant-frequency, pulse-width modulated (PWM) boost topology combined with a unique architecture that maintains regulation with an optional RC or LC post filter inside its feedback loop. A precision reference and error amplifier maintain 0.5% output voltage accuracy. The applications of the MAX1932ETC+T include Optical Receivers and Modules, Fiber Optic Network Equipment, Telecom Equipment, Laser Range Finders and PIN Diode Bias Supply.
Parametrics
MAX1932ETC+T absolute maximum ratings: (1)VIN to GND: -0.3V to +6V; (2)DIN, SCLK, CS, FB to GND: -0.3V to +6V; (3)COMP, DACOUT, GATE, CL to GND: -0.3V to (VIN +0.3V); (4)CS+, CS- to GND: -0.3V to +110V; (5)Continuous Power Dissipation: 1349mW; (6)Operating Temperature Range: -40 to +85℃; (7)Junction Temperature: +150℃; (8)Storage Temperature Range: -65 to +150℃; (9)Lead Temperature (soldering 10s): +300℃.
Features
MAX1932ETC+T features: (1)Small Circuit Footprint; (2)Circuit Height < 2mm; (3)2.7V to 5.5V Input; (4)4.5V to 90V Output; (5)No Overshoot ; (6)Accurate High-Side Current Limit; (7)Avalanche Indicator Flag; (8)8-Bit SPI-Compatible DAC ; (9)Compatible with External DAC; (10)0.5% Accurate Output; (11)Low Ripple Output (< 1mV); (12)Small 12-Pin, 4mm × 4mm Thin QFN Package.
Diagrams

| Image | Part No | Mfg | Description | ![]() |
Pricing (USD) |
Quantity | ||||||||||||
|---|---|---|---|---|---|---|---|---|---|---|---|---|---|---|---|---|---|---|
![]() |
![]() MAX1932ETC+T |
![]() Maxim Integrated Products |
![]() Other Power Management 0.5% Accurate APD Bias Supply |
![]() Data Sheet |
![]()
|
|
||||||||||||
| Image | Part No | Mfg | Description | ![]() |
Pricing (USD) |
Quantity | ||||||||||||
![]() |
![]() MAX10 |
![]() Aavid Thermalloy |
![]() Heat Sinks 39.85 N (8.96 lbs) |
![]() Data Sheet |
![]() Negotiable |
|
||||||||||||
![]() |
![]() MAX100 |
![]() Other |
![]() |
![]() Data Sheet |
![]() Negotiable |
|
||||||||||||
![]() |
![]() MAX1002 |
![]() Other |
![]() |
![]() Data Sheet |
![]() Negotiable |
|
||||||||||||
![]() |
![]() MAX1002CAX |
![]() Maxim Integrated Products |
![]() ADC (A/D Converters) |
![]() Data Sheet |
![]() Negotiable |
|
||||||||||||
![]() |
![]() MAX1002CAX+ |
![]() Maxim Integrated Products |
![]() ADC (A/D Converters) Low-Power 60Msps Dual 6-Bit |
![]() Data Sheet |
![]()
|
|
||||||||||||
![]() |
![]() MAX1002CAX+T |
![]() Maxim Integrated Products |
![]() ADC (A/D Converters) Low-Power 60Msps Dual 6-Bit |
![]() Data Sheet |
![]()
|
|
||||||||||||
(China (Mainland))










